全国服务电话:0533-7170251 13969352462

疑问解答

工业冷水机组安装流程

工业冷水机组安装流程

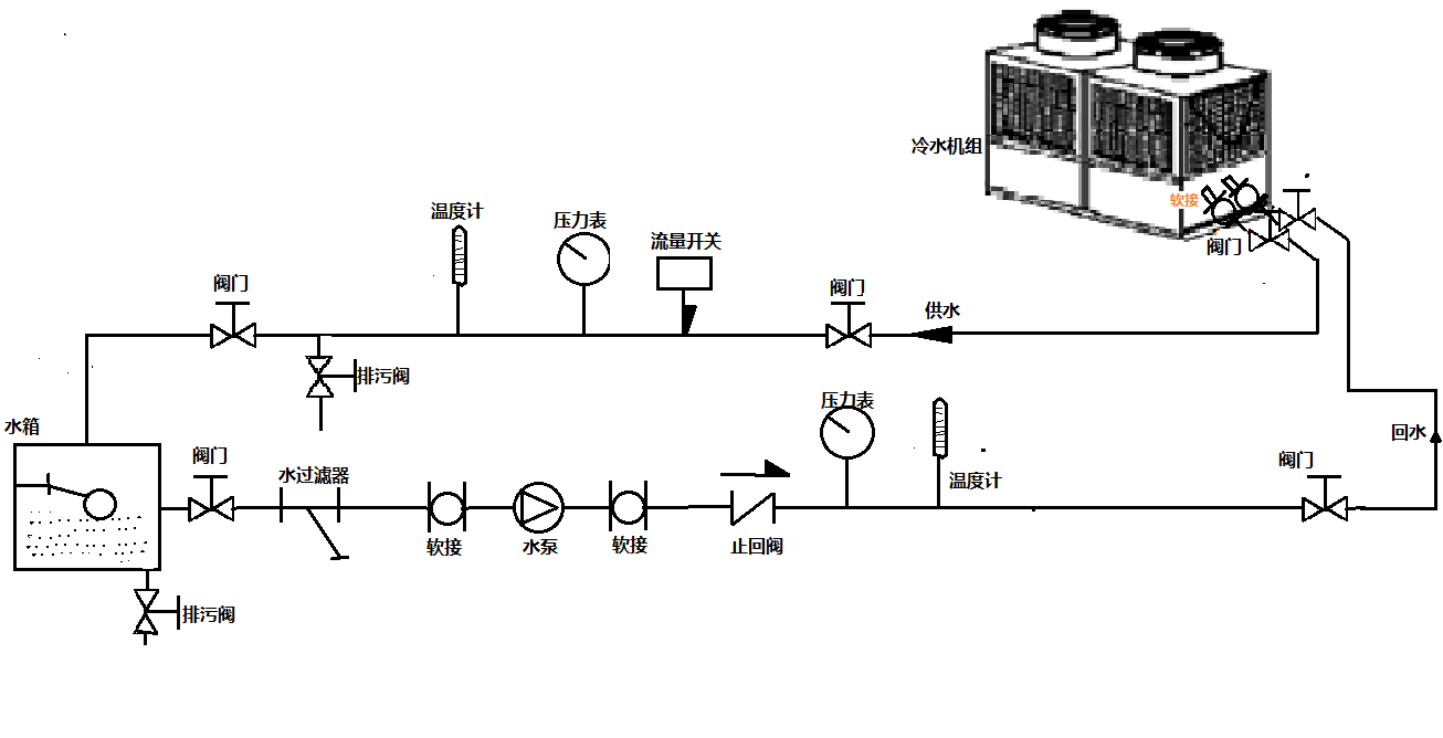
工业制冷机组,冷水机组,低温制冷机组,化工制冷机组,制冷循环系统安装流程图

详细介绍

工业制冷机组,冷水机组,低温制冷机组,化工制冷机组,制冷循环系统安装流程图

Copyright © 2007-2017 BINGXUANZL.COM. 3703.COM 技术支持

鲁ICP备17049110号-1